Skip to main content
mouse

DB Schenker

Venlo

Dit logistiek centrum van in totaal ongeveer 50.000 m2 beschikt over 3.800 m2 aan mezzanineruimte en ± 1.300 m2 kantoorruimte met in totaal ± 2.000.000 kilo aan staalwerk.

Projectgegevens

Locatie Logistiekweg 1, Venlo
Opdracht WDP, Breda
Architectuur Quadrant4, Oisterwijk
Constructief Ontwerp Advies en Ingenieursbureau Van de Laar, Eindhoven
Uitvoering Willy Naessens Nederland, Drunen
Staalconstructie Reijrink Staalconstructie, Esbeek

Algemene projectomschrijving

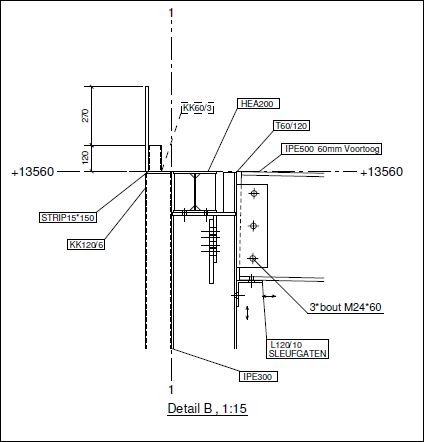
De gevel is opgebouwd met sandwichpanelen. De dakliggers (± 600 ton) zijn zo ontworpen dat hieraan geen laswerk gedaan hoeft te worden. Deze profielen zijn alleen gezaagd, geboord en getoogd (knik). Op deze manier zijn veel (las)uren bespaard voor de productie. De bouw duurde nog geen tien maanden van bouwvergunning naar oplevering en het pand heeft een Breeam Very good.

Beschrijving staalconstructie en/of gebruik van staal

Bijzondere aspecten bouwkundig concept / ontwerp

Bijzondere constructieve slimmigheden / detailleringen

Bijzondere aspecten uitvoering

Bijzondere functionele aspecten van het bouwwerk